-
-
-
Tổng tiền thanh toán:
-

Liệu phanh đĩa khí nén DBH 204 có thể thay thế DBH 205? So sánh chi tiết để chọn đúng model cho bạn
10/10/2025 Đăng bởi: Nguyễn Ms. CúcNội dung [ẩn]
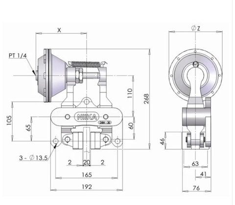
Phanh đĩa khí nén DBH của Niika được thiết kế theo cơ chế kẹp đĩa bằng áp suất khí nén, tạo ra mô-men hãm mạnh mẽ mà không cần dùng điện – an toàn, bền và hạn chế phát sinh tia lửa điện. Trong đó, hai model phổ biến nhất là DBH 204 và DBH 205, đều thuộc dòng phanh kiểu lắp đặt nằm ngang (horizontal type).
Nhiều người dùng thường đặt câu hỏi: “DBH 204 có thể thay thế DBH 205 không?” Để trả lời, bài viết này sẽ đi sâu vào cấu tạo, thông số kỹ thuật, sự khác biệt và khuyến nghị ứng dụng thực tế, giúp bạn chọn đúng loại phanh đĩa khí nén cho hệ thống của mình.
Tổng quan về phanh đĩa khí nén DBH 204
Phanh đĩa khí nén DBH 204 – model phổ biến của thiết bị Niika, được sử dụng rộng rãi trong các hệ thống phanh công nghiệp quy mô vừa và nhỏ.
Cấu tạo và nguyên lý hoạt động
Phanh đĩa khí nén DBH 204 là loại phanh đĩa dạng caliper, hoạt động nhờ áp suất khí nén trong đường ống nhà máy. Khi khí nén được cấp vào bộ kẹp, piston sẽ đẩy miếng ma sát ép chặt vào đĩa, tạo ra lực hãm mô-men.
Điểm đáng chú ý của model này là thiết kế kiểu nằm ngang, giúp phanh tạo lực đều và mạnh hơn gần gấp đôi so với kiểu phanh thẳng đứng.
Đặc tính kỹ thuật nổi bật
-
Áp suất khí nén tối đa: 7 kg/cm²
-
Tỷ lệ nén: 1.83
-
Độ dày đĩa: 20 mm
-
Đường kính đĩa tối thiểu: 200 mm
-
Trọng lượng: 9 kg
-
Kích thước: X = 135 mm | Y = 268 mm | ØZ = 142 mm
Ngoài khả năng chịu nhiệt cao, phanh đĩa khí nén DBH 204 Niika còn được thiết kế chống bụi, chống nước, bền bỉ và dễ dàng lắp đặt ở nhiều vị trí.
Ứng dụng thực tế
Phanh đĩa khí nén DBH 204 được sử dụng rộng rãi trong:
-
Máy công cụ, máy cán thép, máy cuộn dây, máy kéo.
-
Cần trục, tời, máy cắt tỉa, máy giấy, thiết bị hàng hải.
-
Hệ thống điều khiển căng (tension control system) và máy định vị chính xác.
Khi kết hợp cùng bộ đẩy phanh khí nén Niika, DBH 204 trở thành lựa chọn tối ưu cho những hệ thống đòi hỏi phản ứng nhanh và độ bền cao.
So sánh phanh đĩa khí nén DBH 204 và DBH 205
Sự khác biệt nhỏ về kích thước có thể ảnh hưởng lớn đến hiệu suất và khả năng tương thích trong thực tế.
Thông số kỹ thuật so sánh
Thông số |
DBH 204 |
DBH 205 |
Áp suất khí nén tối đa |
7 kg/cm² |
7 kg/cm² |
Tỷ lệ nén |
1.83 |
1.83 |
Độ dày đĩa |
20 mm |
20 mm |
Đường kính đĩa tối thiểu |
≥200 mm |
≥200 mm |
Trọng lượng |
9 kg |
9.5 kg |
X (mm) |
135 |
155 |
Y (mm) |
268 |
285 |
ØZ (mm) |
142 |
177 |
Phân tích điểm khác biệt chính
-
Kích thước tổng thể: DBH 205 có kích thước lớn hơn, phù hợp với không gian lắp đặt rộng.
-
Lực mô-men phanh: Do cấu trúc và kích thước má phanh lớn hơn, DBH 205 cho mô-men phanh mạnh hơn nhẹ so với DBH 204.
-
Trọng lượng: DBH 205 nặng hơn khoảng 0.5 kg – tăng độ ổn định nhưng giảm tính linh hoạt khi lắp đặt.
-
Độ tương thích đĩa: Cả hai cùng hỗ trợ đĩa dày 20 mm, đường kính ≥200 mm, nên có thể lắp trên cùng một loại đĩa trong nhiều trường hợp.
Như vậy, DBH 204 và DBH 205 gần như tương đương về hiệu suất, chỉ khác biệt về kích thước và mô-men phanh đầu ra.
DBH 204 có thể thay thế DBH 205 không?
Câu trả lời phụ thuộc vào không gian lắp đặt, yêu cầu mô-men phanh và cấu hình hệ thống của bạn.
Trường hợp có thể thay thế
-
Hệ thống yêu cầu mô-men phanh trung bình, không cần lực quá lớn.
-
Kích thước lắp đặt cho phép thay thế DBH 205 bằng DBH 204 (vì 204 nhỏ hơn, dễ bố trí hơn).
-
Khi cần tối ưu chi phí, DBH 204 là lựa chọn kinh tế hơn mà vẫn đảm bảo an toàn.
-
Các ứng dụng như máy cuộn dây, máy kéo, tời nhỏ, hoặc máy cắt tỉa công nghiệp.
Trường hợp không nên thay
-
Hệ thống yêu cầu mô-men hãm cực cao, hoặc sử dụng trong máy cán thép lớn, cần trục trọng tải cao.
-
Khi vị trí lắp đặt đã được thiết kế riêng cho DBH 205, thay thế sẽ làm sai lệch tâm phanh hoặc ảnh hưởng lực kẹp.
Tóm lại, DBH 204 có thể thay thế DBH 205 trong các hệ thống vừa và nhỏ, miễn là đáp ứng được yêu cầu mô-men phanh và kích thước lắp đặt.
Gợi ý lựa chọn đúng model cho từng ứng dụng
Niika cung cấp nhiều model phanh khí nén khác nhau, phù hợp từng nhu cầu và quy mô ứng dụng.
Ứng dụng |
Khuyến nghị Model |
Ghi chú |
Máy cuộn dây, máy kéo |
DBH 204 |
Hiệu suất ổn định, dễ lắp |
Cần trục, máy cán thép nhỏ |
DBH 205 |
Mô-men phanh mạnh hơn |
Hệ thống điều khiển căng |
DBH 204 |
Kết hợp với bộ đẩy phanh khí nén Niika |
Thiết bị hàng hải, máy cắt |
DBH 205 |
Ưu tiên độ bền và lực hãm cao |
Nếu bạn đang tìm thiết bị Niika chính hãng, nên xem xét phanh đĩa khí nén DBH 204 cho đa số ứng dụng vừa và nhỏ – linh hoạt, dễ lắp đặt, giá thành hợp lý và hiệu suất bền bỉ.
Địa chỉ mua phanh đĩa khí nén DBH 204 uy tín tại Việt Nam
Công ty TNHH VINP tự hào là một trong những đơn vị phân phối chính hãng phanh đĩa khí nén DBH 204 và các thiết bị Niika khác tại VN.
Ưu điểm khi mua tại VINP:
-
Sản phẩm nhập khẩu trực tiếp, đảm bảo chất lượng
-
Có sẵn trong kho, giao hàng nhanh toàn quốc
-
Hỗ trợ kỹ thuật & tư vấn miễn phí
-
Giá cạnh tranh, chiết khấu cho khách hàng dự án và đại lý
📞 Liên hệ nhận báo giá hoặc tư vấn: 0912302018
Ngoài ra, bạn cũng có thể tìm tại các nhà phân phối phanh công nghiệp, linh kiện máy móc công nghiệp, cửa hàng thiết bị thủy lực / khí nén uy tín.
Phanh đĩa khí nén DBH 204 Niika là lựa chọn đáng tin cậy trong các hệ thống truyền động công nghiệp vừa và nhỏ. Với thiết kế nhỏ gọn, mô-men phanh mạnh mẽ, khả năng chịu nhiệt cao và dễ bảo trì, DBH 204 hoàn toàn có thể thay thế DBH 205 trong nhiều trường hợp tương thích.
Nếu bạn cần tư vấn kỹ thuật, lựa chọn model hoặc nhận báo giá nhanh, hãy liên hệ nhà phân phối VINP – đối tác chính thức của Niika tại Việt Nam.
Liệu phanh đĩa khí nén DBH 204 có thể thay thế DBH 205? So sánh chi tiết để chọn đúng model cho bạn (10/10/2025)
Phanh đĩa khí nén DBF 10 – Giải pháp gọn nhẹ cho hệ thống phanh công nghiệp hiệu quả (24/09/2025)
Phanh Đĩa Khí Nén DBZ Mini – Giải Pháp Nhỏ Gọn, Lực Hãm Mạnh Cho Công Nghệ Tự Động (22/09/2025)
Má phanh Niika – Phụ kiện phanh chất lượng cao, tuổi thọ dài lâu (19/09/2025)
Màng phanh khí Niika – Giải pháp bền bỉ cho phanh DBH & DBG (19/09/2025)
Phanh đĩa khí nén DBH 205 – Lựa chọn số 1 cho an toàn & hiệu suất công nghiệp (12/09/2025)