-
-
-
Tổng tiền thanh toán:
-
Khớp nối lưới loại T20 có khả năng khởi động an toàn, hiệu suất truyền tải cao và hoạt động đáng tin cậy.
- Mô-men xoắn cực đại: 460 - 660000 in
- Tốc độ vòng xoay cho phép: 6000 -1600 vòng/phút
Thiết kế nắp chia ngang, lý tưởng cho không gian hạn chế
Cho phép dễ dàng truy cập vào lò xo lưới, thích hợp cho các ứng dụng đảo ngược
Nắp lưới nhôm đúc nhẹ, được thiết kế dễ dàng bảo trì và thay thế
Lò xo lưới có cường độ cao đảm bảo hiệu suất khớp nối vượt trội và tuổi thọ khớp nối dài hơn.
Có thể thay đổi với các khớp nối lưới tiêu chuẩn trong công nghiệp.
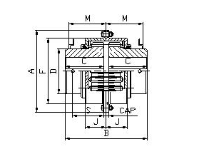
Cấu tạo và bảng thông số kích thước:


Khớp nối lưới loại T20 được sử dụng rộng rãi trong ngành luyện kim, khai thác mỏ, nâng hạ, giao thông vận tải, dầu khí, hóa chất, tàu thủy, dệt may, công nghiệp nhẹ, máy nông nghiệp, máy in và máy bơm, quạt, máy nén, máy công cụ và các thiết bị cơ khí khác và truyền động trục công nghiệp.
Khớp nối lưới loại T20 đang được công ty TNHH Vinp phân phối chính hãng với mức giá luôn tốt.
Bạn cần hỗ trợ? Nhấc máy lên và gọi ngay cho chúng tôi - 0912302018
Giao hàng toàn quốc
Bảo mật thanh toán
Đổi trả trong 7 ngày
Tư vẫn miễn phí